High Performance Butterfly Valve
FEATURES
• High performance butterfly valves usually adopt double eccentricity and a special oblique cone elliptical sealing structure. This design solves the problem of the sealing surface of traditional eccentric butterfly valves still being in sliding contact friction at the moment of opening and closing 0∘∼10∘, achieving the effect of separation of the sealing surface of the butterfly plate at the moment of opening and sealing at the moment of closing contact, thereby extending the service life and improving the sealing performance.
• Double eccentric design makes the butterfly plate and the sealing surface separate quickly, reducing friction, high frequency and long service life.
• G-type valve seat with automatic compensation design keeps reliable sealing.
• Oil-free self-lubricating bushing.
• Unique packing for dynamic load compensation seal design eliminates the valve Leakage.
• Anti-frying design prevents the valve stem from being damaged and blown out.
• Anti-static design.
PARAMETER
• Design to comply with API609/GB/T12238 GOST P53673 Compatible with DIN, BS, JIS
• Connection mode: Wafer, flange, lug
• Connection standards HG/T20592, ASMEB16.5, ASME B16.47,GOST33259
• Faceto face:ASME B16.10,GB/T12221,GOST 3706
• Testing &inspection:API598,GB/T13927,GOST 33257
• Transmission mode : Manual, Worm gear, Pneumatic,Electric, Hydraulic
• Body Material:WCB,CF8,CF8M,CF3M,2205,2507,2520
• Disc Material:CF8,CF8M,CF3M,2205,2507,2520
• Stem Material:17-4PH,2205,2507,2520,X-718
• Seat Ring:RPTFE,Rubber,304/316/316L/2205/2507/2520,Surface-hardeningTreatment
• Applicable Temperature:-20~200℃
• Nominal diameter:DN50~DN1200 NPS 2”~NPS 48”
• Nominal pressure (Mpa) : PN10~PN100 Class150~600 10K~45K
PRODUCT STRUCTURE FEATURES


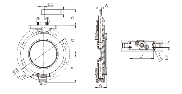
Main external connection dimensions PN16
|
in |
DN |
K |
G |
P |
W |
L1 |
L2 |
U-E |
H |
X |
S |
B |
N-M |
|
3" |
80 |
121 |
82 |
79 |
49 |
125.5 |
22.35 |
4-M10 |
27 |
14.8 |
11.2 |
160 |
8-Φ18 |
|
4" |
100 |
133 |
82 |
101 |
54 |
125.5 |
22.35 |
4-M10 |
27 |
18.8 |
13.9 |
180 |
8-Φ18 |
|
5" |
125 |
135 |
82 |
136 |
57 |
125.5 |
22.35 |
4-M10 |
27 |
18.8 |
13.9 |
210 |
8-Φ18 |
|
6" |
150 |
153 |
82 |
148 |
57 |
125.5 |
22.35 |
4-M10 |
27 |
18.8 |
13.9 |
240 |
8-Φ22 |
|
8" |
200 |
188 |
82 |
159 |
64 |
125.5 |
22.35 |
4-M10 |
27 |
21.9 |
15.9 |
295 |
12-Φ22 |
|
10" |
250 |
233 |
93 |
222 |
71 |
142.75 |
37.34 |
4-M12 |
28 |
28.2 |
20.6 |
355 |
12-Φ26 |
|
12" |
300 |
262 |
97 |
272 |
81 |
142.75 |
37.34 |
4-M12 |
33 |
34.7 |
23.8 |
410 |
12-Φ26 |
|
14" |
350 |
309 |
87 |
310 |
92 |
142.75 |
37.34 |
4-M12 |
35 |
34.9 |
28.7 |
470 |
16-Φ26 |
|
16" |
400 |
331 |
89 |
330 |
102 |
203.2 |
82.6 |
4-M16 |
41 |
46 |
41.4 |
525 |
16-Φ30 |
|
18" |
450 |
356 |
92 |
340 |
114 |
203.2 |
82.6 |
4-M16 |
41 |
47 |
41.4 |
585 |
20-Φ30 |
|
20" |
500 |
377 |
89 |
420 |
127 |
203.2 |
82.6 |
4-M16 |
41 |
54 |
41.4 |
650 |
20-Φ33 |
|
24" |
600 |
489 |
116 |
480 |
154 |
254 |
82.6 |
4-M20 |
51 |
66.8 |
50.8 |
770 |
20-Φ36 |
|
28" |
700 |
550 |
127 |
536 |
165 |
254 |
82.6 |
4-M20 |
51 |
66.8 |
50.8 |
840 |
24-Φ36 |
|
32" |
800 |
570 |
127 |
622 |
167 |
254 |
82.6 |
4-M20 |
51 |
66.8 |
50.8 |
950 |
24-Φ39 |
|
36" |
900 |
660 |
133 |
678 |
184 |
254 |
82.6 |
4-M20 |
51 |
66.8 |
50.8 |
1050 |
28-Φ39 |
|
40" |
1000 |
737 |
216 |
728 |
245 |
330.2 |
177.8 |
6-M20 |
Φ88.8(key shaft) |
1170 |
28-Φ42 |
||
|
48" |
1200 |
845 |
286 |
865 |
254 |
381 |
177.8 |
6-M20 |
Φ127(key shaft) |
1390 |
32-Φ48 |
||
APPLICATION
• Applicable to:pure water, air-conditioning cold and warm water, sea water, formalin solution,organic solvent, air, oxygen, exhaust gas, nitrogen, coking gas, city gas, and other automation production industries.

