L90 Butt Welded Hard Seal Three Eccentric Butterfly Valve
FEATURES
• Both flow directions can bear pressure and realize installation without flow direction restriction the way
• Metal to metal torque seal
• Replaceable valve seat and seal ring design
• The valve seat is made of all metal forging, and sprayed on the sealing surface Welding Stellite
• Erosion resistance, long life, wear resistance
PARAMETER
• Design to comply with API609 /GB/T12238, GOST P53673, Compatible with DIN, BS, JIS
• Face to face: ASME B16.10, GB/T12221, GOST 3706
• Testing & inspection: API598, GB/T13927, GOST 33257
• Body Material: WCB, A105, CF8, CF8M, CF3M
• Disc Material: WCB, CF8, CF8M, CF3M
• Stem Material:20Cr13,17-4PH, 2205, X-718
• Seat Ring: Graphite+Metal(multilevel), All-Metal
• Transmission mode: Manual, Worm gear, Pneumatic, Electric, Hydraulic
• Applicable Temperature: -29~425 ℃
• Nominal diameter:DN50~DN1200, NPS 2”~NPS 48”
• Nominal pressure (Mpa): PN10~PN100, Class150~600, 10K~45K
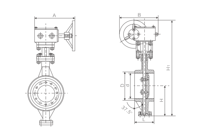
PRODUCT STRUCTURE FEATURES

Main Dimension(Buttweld)Class 150LB
|
NPS(in) |
L |
D |
d |
H1 |
H2 |
H3 |
|
2" |
150 |
150 |
120.7 |
94 |
193 |
20 |
|
3" |
180 |
190 |
152.4 |
118 |
221 |
25 |
|
4" |
190 |
230 |
190.5 |
130 |
243 |
30 |
|
5" |
200 |
255 |
245.9 |
153 |
261 |
35 |
|
6" |
210 |
280 |
241.3 |
165 |
273 |
40 |
|
8" |
230 |
345 |
298.5 |
198 |
309 |
45 |
|
10" |
250 |
405 |
362 |
235 |
337 |
50 |
|
12" |
270 |
485 |
431.8 |
274.5 |
382.5 |
67 |
|
14" |
290 |
535 |
476.3 |
314 |
435 |
81 |
|
16" |
310 |
595 |
539.8 |
344 |
457 |
87 |
|
18" |
330 |
635 |
577.9 |
369 |
510 |
98 |
|
20" |
350 |
700 |
635 |
410.5 |
579 |
105 |
|
24" |
390 |
815 |
749.3 |
472.5 |
635 |
117 |
|
28" |
430 |
925 |
863.3 |
529.5 |
671 |
117 |
|
32" |
470 |
1060 |
977.9 |
648 |
800 |
120 |
|
36" |
510 |
1170 |
1085.8 |
708.2 |
862 |
128 |
|
40" |
550 |
1290 |
1200.2 |
766.2 |
955 |
170 |
|
48" |
630 |
1510 |
1422.4 |
884 |
1088 |
182 |
APPLICATION
rubber and PTFE can not be controlled High temperature fluid. It can be used instead of gate valve and ball valve. water Steam, air, gas, exhaust gas, sulfurous acid gas, Nitrogen. Mainly used for heating, low pressure steam and other working conditions.

